新着ニュース記事一覧(481 ページ目) | CYCLE やわらかスポーツ情報サイト

新着ニュース記事一覧(481 ページ目)

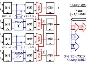
富士通研、チップ間通信で世界最高速となる56Gbps受信回路を開発 画像
技術

富士通研、チップ間通信で世界最高速となる56Gbps受信回路を開発

 富士通研究所は13日、CPUなどのチップ間データ通信において、世界最高速である毎秒56ギガビット(Gbps)の高速データを受信可能な受信回路を開発したことを発表した。次世代サーバへの搭載などが期待されるという。

ツール・ド・フランスのマイヨジョーヌをイメージした限定色ソックス 画像
衣類

ツール・ド・フランスのマイヨジョーヌをイメージした限定色ソックス

iPhoneを顕微鏡みたいに使ったら超絶クオリティだった 画像
技術

iPhoneを顕微鏡みたいに使ったら超絶クオリティだった

自転車通勤・通学にモダンでスタイリッシュなバックパック 画像
ビジネス

自転車通勤・通学にモダンでスタイリッシュなバックパック

ブロック表示のカッチリ時計 画像
ビジネス

ブロック表示のカッチリ時計

スマホも電池もソーラー充電 画像
技術

スマホも電池もソーラー充電

アメリカで話題の自転車を電動化するモーターユニット 画像
技術

アメリカで話題の自転車を電動化するモーターユニット

サムスン、まるでデジカメな「GALAXY Zoom 2」を韓国で発売 画像
ビジネス

サムスン、まるでデジカメな「GALAXY Zoom 2」を韓国で発売

 サムスン電子は12日、背面にまるでコンパクトデジカメのようなズームレンズを搭載した4.8インチAndroidスマートフォン「GALAXY Zoom 2」を発表した。13日から発売する。

【FIFAワールドカップ2014ブラジル】ナイキは革新の4型。ネイマール、大久保ら着用 画像
製品/用品

【FIFAワールドカップ2014ブラジル】ナイキは革新の4型。ネイマール、大久保ら着用

いよいよ開幕する2014 FIFAワールドカップブラジル大会。今回は機能的かつオシャレに進化したスパイクが発表されている。ブランドごとに着用プレーヤーを織り交ぜつつ紹介する。「ナイキ(Nike)」は、パフォーマンスフットウェア4種を発表している。

【礒崎遼太郎の農輪考】丹精を込めた作業が紡ぐ食 画像
コラム

【礒崎遼太郎の農輪考】丹精を込めた作業が紡ぐ食

風力発電でスマホを充電 画像
技術

風力発電でスマホを充電

NYにトーキョーバイクがサマーショップをオープン 画像
ビジネス

NYにトーキョーバイクがサマーショップをオープン

自転車ロックのスマート化が加速、ソーラー充電対応のスカイロック 画像
技術

自転車ロックのスマート化が加速、ソーラー充電対応のスカイロック

ビンテージサングラスがトゥモローランド渋谷本店に 画像
衣類

ビンテージサングラスがトゥモローランド渋谷本店に

札幌のアイウエア専門店「フリークエンス(Fre’quence)」が、トゥモローランド渋谷本店に6月13日から15日までの3日間限定でオープンする。

真夏のフランスを1周する自転車レースでよく見るようなヘルメット発売 画像
製品/用品

真夏のフランスを1周する自転車レースでよく見るようなヘルメット発売

SUGOiのスタッフが自分自身で着たいグラフィックジャージを作ってしまった 画像
衣類

SUGOiのスタッフが自分自身で着たいグラフィックジャージを作ってしまった

日本最大「アップルストア表参道」13日オープン 画像
ビジネス

日本最大「アップルストア表参道」13日オープン

 日本最大のアップルストアとなる「アップルストア表参道」が、明日13日にオープンする。12日、その店舗内部が報道陣に公開された。

ゴールドウインのC3fitから自転車ライド中のパワーロスを軽減するソックス登場 画像
衣類

ゴールドウインのC3fitから自転車ライド中のパワーロスを軽減するソックス登場

梅雨に便利!折り畳めるレインシューズ「バタフライツイスト」 画像
ビジネス

梅雨に便利!折り畳めるレインシューズ「バタフライツイスト」

折り畳んで携帯できるシューズブランド「バタフライツイスト(Butterfly Twists)」が、梅雨の季節に合わせてレインフェアを開催している。

お湯を注ぐだけで簡単に。トップバリュよりフリーズドライ登場 画像
飲食

お湯を注ぐだけで簡単に。トップバリュよりフリーズドライ登場

トレックがサスメーカーのペンスケらとコラボした最新Fuel発売へ 画像
ビジネス

トレックがサスメーカーのペンスケらとコラボした最新Fuel発売へ

【リコール】トヨタ カローラ など20車種64万8000台、エアバッグ不具合で出火のおそれ 画像
ビジネス

【リコール】トヨタ カローラ など20車種64万8000台、エアバッグ不具合で出火のおそれ

トヨタ自動車は6月11日、『カローラ』などの助手席エアバッグに不具合があるとして、国土交通省にリコール(回収・無償修理)を届け出た。

これは便利。シンプルで多機能なマルチツールBOSS 画像
技術

これは便利。シンプルで多機能なマルチツールBOSS

【話題】しょこたん、喉不調でレコーディング延期…「全く声出ません」 画像
ビジネス

【話題】しょこたん、喉不調でレコーディング延期…「全く声出ません」

 タレントの中川翔子が10日、喉の不調でレコーディングを延期したことをTwitterで報告した。

オムロン、前週の実績から目標を自動設定してくれる小型活動量計「アクティブシフトエッジ」 画像
ビジネス

オムロン、前週の実績から目標を自動設定してくれる小型活動量計「アクティブシフトエッジ」

 オムロンヘルスケアは11日、小型タイプの活動量計「HJA-700T アクティブシフトエッジ」を発表した。発売は6月20日、価格はオープンで実売予想価格は9,980円前後。

【リコール】スコット スピードスター2014年モデル、フロントフォーク自主回収 画像
ビジネス

【リコール】スコット スピードスター2014年モデル、フロントフォーク自主回収

ハーゲンダッツ「クリスピーサンド」がリニューアル。アイス好きフードブロガーの評価は? 画像
飲食

ハーゲンダッツ「クリスピーサンド」がリニューアル。アイス好きフードブロガーの評価は?

ハーゲンダッツの「クリスピーサンド」が全面リニューアル。「キャラメルクラシック」「抹茶ショコラ」「マンゴー」の3つのフレーバーが9日より発売された。

こんな梅雨には、イナズマリフレクターで街を切り裂く! 画像
ビジネス

こんな梅雨には、イナズマリフレクターで街を切り裂く!

えっ? 浮いてる… 二度見しちゃうスマホ充電 画像
技術

えっ? 浮いてる… 二度見しちゃうスマホ充電

トレック、独自のホイール展開で新型MTB MarlinとX-Cariber 発表 画像
ビジネス

トレック、独自のホイール展開で新型MTB MarlinとX-Cariber 発表

虎ノ門ヒルズの多彩な食空間。予約取れないスペインバル、虎ノ門コーヒーなど充実 画像
飲食

虎ノ門ヒルズの多彩な食空間。予約取れないスペインバル、虎ノ門コーヒーなど充実

6月11日開業の虎ノ門ヒルズでは、“コミュニケーションハブ”をコンセプトに、1から4階までの商業エリアで世界各国の多彩な料理を提供する24店舗の飲食店をラインアップ。国内外から来場するニーズに応えた、充実のショップ展開となっている。

目立ちたがり屋必携!点滅する蝶ネクタイ 画像
ビジネス

目立ちたがり屋必携!点滅する蝶ネクタイ

充電不足の不安を一掃したくて…コンセントの差し込み口を搭載してしまったバッグ 画像
技術

充電不足の不安を一掃したくて…コンセントの差し込み口を搭載してしまったバッグ

ファミリーマートと神戸市が連携、「野菜を食べようキャンペーン」6月23日まで 画像
飲食

ファミリーマートと神戸市が連携、「野菜を食べようキャンペーン」6月23日まで

「食育に関すること」の取り組みとして、「野菜を食べようキャンペーン」が6月23日まで神戸市内のファミリーマートや大学等の学生食堂などで実施される。

スマホ、タブレットの充電を可視化 画像
技術

スマホ、タブレットの充電を可視化

梅雨に重宝、トレンチコート×ウィンドブレーカーの機能性アウター 画像
ビジネス

梅雨に重宝、トレンチコート×ウィンドブレーカーの機能性アウター

土屋鞄×トランジット、「ブラジル」テーマの旅カバン発売 画像
ビジネス

土屋鞄×トランジット、「ブラジル」テーマの旅カバン発売

土屋鞄製造所は、年4回発行されるトラベルカルチャーマガジン『トランジット(TRANSIT)』とのコラボレーションによるフラップ型トラベラーズショルダー(3万9,000円)を6月24日より数量限定販売する。

アウトドア好きに重宝されそうな、ドイツ発スマホ連動キー 画像
技術

アウトドア好きに重宝されそうな、ドイツ発スマホ連動キー

安全の上にも安全…リフレクターとLEDセーフティライトを合体させたアイテム 画像
製品/用品

安全の上にも安全…リフレクターとLEDセーフティライトを合体させたアイテム

「スーパーマン」や「バットマン」になれるサイクリングウエア登場 画像
衣類

「スーパーマン」や「バットマン」になれるサイクリングウエア登場

  1. 先頭
  2. 430
  3. 440
  4. 450
  5. 460
  6. 470
  7. 476
  8. 477
  9. 478
  10. 479
  11. 480
  12. 481
  13. 482
  14. 483
  15. 484
  16. 485
  17. 486
  18. 490
  19. 最後
Page 481 of 496
page top